Wuling Wiring Diagram Examples Wiring Diagram Kwh Meter 1 Fasa : Wiring Diagram Kwh Meter 1 Fasa
Could someone explain phases?

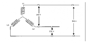
Circuit control wuling system diagram seekic electronics electric general united. Types of distribution system. Wye phase transformer wire system three electrical pole transformers mounted schematic series delta schematics connections 3rd forums vac using contractor. Could someone explain phases?






Komentar
Posting Komentar